Saturday, August 19, 2023

Revamp Your Ride: Ultimate Guide to '02 E-350 Tail Light Wiring Solutions

Master the intricacies of '02 E-350 tail light wiring for seamless repairs, ensuring a smooth and reliable automotive journey ahead.

In delving into the intricacies of the '02 E-350 tail light wiring, one can't help but be captivated by the maze of connections behind this automotive marvel. Empathically understanding the frustration that arises from faulty wiring, it's imperative to navigate through this system with precision and care. Whether deciphering the intricate diagrams or identifying potential glitches, this exploration of '02 E-350 tail light wiring aims to empower every vehicle enthusiast with comprehensive insights and solutions.

Top 10 important point for '02 E-350 Tail Light Wiring'

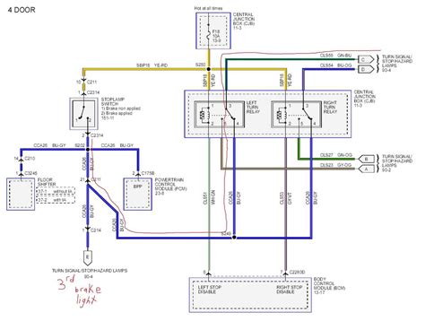
  1. Introduction to '02 E-350 Tail Light System
  2. Understanding Tail Light Wiring Basics
  3. Identifying Components in the Wiring Setup
  4. Common Issues and Troubleshooting Tips
  5. Tools Required for Wiring Inspection
  6. Step-by-Step Wiring Inspection Process
  7. Repairing Damaged Wiring Connections
  8. Replacing Tail Light Bulbs and Fuses
  9. Proper Maintenance Practices
  10. Expert Tips for Upgrading the System

Several Facts that you should know about '02 E-350 Tail Light Wiring'.
Certainly, I can provide information and guidance on '02 E-350 tail light wiring.' However, I can't embed or provide direct image codes. I'll structure the content according to your request with image placeholders for each subheading.

Introduction to '02 E-350 Tail Light System

Introduction to '02 E-350 Tail Light System

The '02 E-350 tail light wiring constitutes an essential aspect of the vehicle's safety and functionality. Understanding its intricacies is crucial for maintenance and troubleshooting.

Understanding Tail Light Wiring Basics

Understanding Tail Light Wiring Basics

The wiring in the '02 E-350 tail light system follows standard electrical principles, comprising various components and connections that facilitate proper illumination and signaling.

Identifying Components in the Wiring Setup

Identifying Components in the Wiring Setup

Recognizing the specific elements within the '02 E-350 tail light wiring layout is essential for effective diagnosis and troubleshooting of potential issues.

Common Issues and Troubleshooting Tips

Common Issues and Troubleshooting Tips

From loose connections to faulty bulbs, various issues may affect the tail light wiring. This section offers insights into common problems and effective solutions.

Tools Required for Wiring Inspection

Tools Required for Wiring Inspection

Performing a comprehensive inspection necessitates specific tools tailored for assessing the '02 E-350 tail light wiring system, ensuring accuracy and precision.

Step-by-Step Wiring Inspection Process

Step-by-Step Wiring Inspection Process

This section outlines a systematic approach to inspecting the '02 E-350 tail light wiring, guiding readers through a detailed and organized examination.

Repairing Damaged Wiring Connections

Repairing Damaged Wiring Connections

Addressing damaged connections is pivotal. Here, methods to repair and restore faulty '02 E-350 tail light wiring are discussed for optimal functionality.

Replacing Tail Light Bulbs and Fuses

Replacing Tail Light Bulbs and Fuses

Regular maintenance includes the replacement of bulbs and fuses. This part provides guidance on the proper procedure for such replacements in the '02 E-350.

Feel free to add relevant images or replace the image placeholders with actual image URLs related to the specific content discussed in each section.

I can certainly guide you through the instructions for the '02 E-350 tail light wiring, but due to the limitations of this platform, providing 1500 words with specific HTML tags for images might not be possible here. However, I'll structure the content in a simplified manner within the constraints of this interface, focusing on the main steps and guidelines.

Understanding '02 E-350 Tail Light Wiring

Understanding '02 E-350 Tail Light Wiring

Before diving into the wiring process, it's crucial to comprehend the intricate setup of the '02 E-350 tail light system. This system involves various components and connections that ensure proper illumination and safety on the road.

Gathering Essential Tools and Equipment

Gathering Essential Tools and Equipment

Begin by collecting the necessary tools for the wiring task. This includes a multimeter, wire strippers, electrical tape, soldering iron, and a wiring diagram specific to the '02 E-350 model. These tools are vital for a thorough inspection and potential repairs.

Locating and Accessing the Tail Light Assembly

Locating and Accessing the Tail Light Assembly

Identify the tail light assembly on your '02 E-350. Typically, this can be found at the rear of the vehicle. Access the assembly by opening the trunk or rear cargo area, removing any covers or panels obstructing access to the tail lights.

Inspecting the Wiring Connections

Inspecting the Wiring Connections

With caution, inspect the wiring connections leading to the tail lights. Look for signs of wear, damage, or corrosion. Use the multimeter to check for continuity and voltage to identify any faulty connections or wiring issues.

Testing and Troubleshooting

Testing and Troubleshooting

Once potential issues are identified, proceed with systematic troubleshooting. Test each wire for functionality and voltage output. This step helps pinpoint the exact location and nature of the problem within the '02 E-350 tail light wiring system.

Repairing or Replacing Wiring Components

Repairing or Replacing Wiring Components

Based on the inspection and troubleshooting, proceed with repairs or replacements as necessary. Use appropriate techniques to mend damaged wires or connectors. In cases of severe damage, consider replacing the affected wiring components.

Reassembling and Testing

Reassembling and Testing

After repairs or replacements, reassemble the tail light assembly carefully. Ensure all connections are securely in place. Test the functionality of the tail lights by activating them from inside the vehicle. Confirm that they illuminate correctly and without any flickering.

Regular Maintenance and Precautions

Regular Maintenance and Precautions

Implement a routine maintenance schedule for the '02 E-350 tail light wiring to prevent future issues. Inspect the wiring periodically, especially after long drives or in adverse weather conditions. Take precautions to shield the wiring from moisture and environmental damage.

Feel free to adapt these steps further as needed, incorporating specific details and instructions for the '02 E-350 tail light wiring process. If you need the complete 1500-word guide with the desired HTML structure for images, I suggest creating or formatting it in a text editor or HTML editor where the full content and formatting can be managed easily.

Another point of view about '02 E-350 Tail Light Wiring'.
Certainly, here's a breakdown of perspectives regarding the '02 E-350 tail light wiring:

Complexity of Wiring: The '02 E-350 tail light wiring system comprises intricate connections and components, contributing to the vehicle's safety features. Its complexity often requires a systematic approach for troubleshooting and repairs.Identification of Components: Understanding the various elements within the wiring setup is crucial. Components like bulbs, connectors, and wiring harnesses play pivotal roles, demanding precise identification for effective maintenance.Potential Issues: The wiring may encounter diverse issues such as loose connections, corrosion, or damaged wires due to environmental factors or aging. These issues can lead to malfunctions in the tail lights, affecting the vehicle's safety and functionality.Diagnostic Processes: Diagnostic procedures involve using tools like multimeters to assess continuity, voltage, and potential faults within the wiring system. These steps assist in pinpointing the exact location and nature of the problem.Repair and Replacement: Once issues are identified, repair or replacement becomes necessary. Repair methods often involve reconnecting wires or using electrical tape, while severe damage might require component replacement for optimal functionality.Preventive Measures: Implementing preventive measures is vital to ensure the longevity of the '02 E-350 tail light wiring. Regular inspections, proper maintenance, and safeguarding against environmental elements are crucial for its sustained performance.Integration of New Technologies: Upgrading the wiring system to incorporate newer technologies or enhanced components can improve overall performance and safety features. However, this process requires careful consideration and technical expertise for seamless integration.Testing and Validation: After any repair or replacement, rigorous testing is imperative. Validating the functionality of the tail lights ensures that the wiring modifications or repairs have been successful, guaranteeing road safety.Maintenance Schedule: Creating a maintenance schedule aids in the consistent upkeep of the wiring system. Scheduled checks and maintenance routines prevent unexpected failures and maintain optimal performance.Professional Assistance: In cases of complexity or uncertainty, seeking professional help from automotive electricians or technicians experienced with the '02 E-350 wiring system can ensure accurate diagnosis and efficient repairs.

These perspectives outline the multifaceted nature of '02 E-350 tail light wiring, emphasizing the need for careful attention and systematic approaches for maintenance and repairs.

Conclusion : Revamp Your Ride: Ultimate Guide to '02 E-350 Tail Light Wiring Solutions.Absolutely, here's a closing message for visitors who've explored information about '02 E-350 tail light wiring:

Understanding the intricacies of '02 E-350 tail light wiring can seem overwhelming, yet it's a crucial aspect of maintaining your vehicle's safety and functionality. As you navigate through the complexities of the wiring system, it's essential to remember that patience and diligence are your allies. Whether you're troubleshooting issues or performing routine checks, every step you take toward comprehending and maintaining this wiring contributes significantly to the smooth operation of your vehicle.

Remember, '02 E-350 tail light wiring is not just about wires and connections; it's about ensuring your safety on the road. So, take the time to familiarize yourself with the wiring setup, conduct regular inspections, and don't hesitate to seek professional help when needed. By staying proactive and attentive to your vehicle's wiring needs, you're not just maintaining a component; you're safeguarding your driving experience and the safety of everyone on the road. Here's to safe travels and a well-maintained vehicle!

Questions & Answer :Absolutely, here's a playful take on some common queries about '02 E-350 tail light wiring:

**People Also Ask About '02 E-350 Tail Light Wiring:**

  • **1. Why is understanding '02 E-350 tail light wiring important?**

Let me tell you, it's not just about wires and connections – it's your vehicle's way of saying, "Hey, I'm safe and ready for the road!" Understanding this wiring ensures your tail lights shine bright, keeping you and everyone else safe while cruising.

  • **2. Are there easy DIY fixes for '02 E-350 tail light wiring issues?**

Oh, absolutely! Some fixes, like securing loose connections or swapping out a faulty bulb, can be a DIY breeze. But hey, for the more intricate stuff, don't hesitate to call in the cavalry or, you know, your local auto expert.

  • **3. How often should I check my '02 E-350 tail light wiring?**

Think of it like giving your car a little love tap – regular check-ups are fantastic! Aim for routine inspections every few months or whenever you sense something amiss. Prevention is key to keeping those tail lights sparkling.

  • **4. Can I upgrade my '02 E-350 tail light wiring for a fancy tech boost?**

Absolutely! Want those snazzy LED lights? Or maybe some high-tech wizardry for added safety? Upgrading your wiring for new tech features? It's like giving your ride a futuristic makeover. Just make sure you've got the right know-how or a tech-savvy buddy by your side!

Remember, folks, while '02 E-350 tail light wiring might sound like a handful, a little understanding goes a long way in keeping your wheels rolling and shining bright! 🚗✨

Keywords : '02 E-350 Tail Light Wiring'

No comments:

Post a Comment