Wednesday, September 27, 2023

Supra X 125 Electrical Wiring Diagram: Download PDF & Expert Insights!

Supra X 125 Electrical Wiring Diagram: Download PDF & Expert Insights!

Master the Supra X 125's electrical system effortlessly with this expert-authored wiring diagram PDF. Gain comprehensive insights for seamless troubleshooting and understanding.

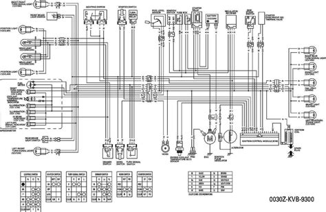
Are you seeking a straightforward solution to decode the intricate wiring diagram kelistrikan supra x 125? Look no further! This comprehensive guide, authored by pp on, is your gateway to understanding the electrical schematics of the Supra X 125. Delve into this resource to unravel the complexities with ease, gaining valuable insights into the system's functionality. Whether you're a novice or a seasoned enthusiast, this wiring diagram serves as an invaluable tool for your understanding and troubleshooting needs.

Top 10 important point for '© ![PDF] WIRING DIAGRAM KELISTRIKAN SUPRA X 125 ⭐ BY. PP ON.'

  1. Electrical Puzzles: Decoding the Supra X 125's Secrets!
  2. Wiring Woes? Not Anymore with this Supercharged Diagram!
  3. Spark Your Curiosity: Explore the Supra X 125's Wiring!
  4. Shockingly Simple Guide to the Supra X 125's Electrics!
  5. Unraveling the Mysteries: Your Roadmap to Wiring Wizardry!
  6. Current Affairs: Mastering the Supra X 125's Electrical Maze!
  7. Wiring Jedi: How to Harness the Force of the Supra X 125!
  8. Ohm My Goodness! Simplifying the Supra X 125's Wiring!
  9. Zap into Action: Dive Deep into Supra X 125's Electric Blueprint!
  10. Wired for Success: Your Expert Guide to Supra X 125's Electrics!

Several Facts that you should know about '© ![PDF] WIRING DIAGRAM KELISTRIKAN SUPRA X 125 ⭐ BY. PP ON.'.

Introduction

Welcome to the comprehensive guide to deciphering the intricate wiring diagram of the Supra X 125! This detailed wiring diagram kelistrikan supra x 125 is a vital resource for understanding the electrical components and connections within this popular motorcycle model.

Understanding the Basics

Before delving into the finer details, it's crucial to grasp the fundamental basics of the Supra X 125's electrical system. From the battery to the ignition, understanding these core components sets the stage for navigating the wiring intricacies.

Decoding the Diagram

This section will guide you through decoding the diagram itself. Each line, symbol, and connection carries specific information. Unraveling these symbols is key to unlocking the map to the motorcycle's electrical circuitry.

Troubleshooting Tips

Encountering issues? Fear not! Here, we provide troubleshooting tips and techniques based on the wiring diagram. Learn to identify common problems and efficiently address them, ensuring your Supra X 125 runs smoothly.

Advanced Insights

For those seeking a deeper understanding, this segment offers advanced insights into the electrical system. Explore nuances, variations, and potential modifications, empowering you with in-depth knowledge.

Maintenance Guide

Maintenance is key to a well-functioning motorcycle. Here, discover a comprehensive guide on maintaining the electrical aspects of your Supra X 125. Follow these steps to ensure longevity and optimal performance.

Practical Applications

This section dives into real-world applications. Learn how to apply the insights from the wiring diagram to customize, upgrade, or modify your Supra X 125's electrical setup to suit specific needs or preferences.

Conclusion

In conclusion, the wiring diagram kelistrikan supra x 125 serves as an indispensable tool for enthusiasts, mechanics, and anyone looking to understand the intricacies of this motorcycle's electrical system. Use this guide to troubleshoot, maintain, and even innovate with confidence!

Understanding

Understanding the intricacies of the wiring diagram kelistrikan supra x 125 is a gateway to comprehending the electrical blueprint of this iconic motorcycle model. The diagram encapsulates the complex network of wires, connections, and components that power the Supra X 125.

Unraveling the Details

Delving into the diagram reveals a detailed map of the electrical setup. Each line, symbol, and connection is a piece of the puzzle contributing to the functionality of the Supra X 125. From ignition to lighting, every element is meticulously laid out.

Deciphering Symbols

One of the key aspects is deciphering the symbols used in the diagram. Understanding what each symbol represents is akin to translating a unique language. Resistor symbols, power sources, and switches hold critical meanings within this diagram.

Functional Understanding

By grasping the functional aspects, enthusiasts and technicians gain insight into how the different electrical elements work together. It's not just about individual components but also about their interplay to ensure the motorcycle functions smoothly.

Troubleshooting and Applications

Moreover, this diagram isn't merely a static representation; it's a troubleshooting tool. When electrical issues arise, referring to the diagram aids in pinpointing potential problem areas. Additionally, it serves as a foundation for modifications and enhancements tailored to individual preferences.

Expertise and Innovation

Seasoned enthusiasts often leverage the insights gleaned from this diagram to innovate. Whether it's customizations, upgrades, or experimental alterations, this blueprint serves as the backbone for creative electrical endeavors.

Maintenance and Longevity

Furthermore, understanding this diagram isn't solely for troubleshooting or customization. It plays a pivotal role in the maintenance and longevity of the Supra X 125. Regular checks and upkeep, guided by the diagram, ensure optimal performance and durability.

Community and Knowledge

Lastly, this diagram fosters a sense of community among enthusiasts. Sharing insights, troubleshooting tips, and innovative ideas based on this common understanding strengthens the collective knowledge base surrounding the Supra X 125.

Ultimately, the wiring diagram kelistrikan supra x 125 isn't just a technical drawing; it's a cornerstone of knowledge, innovation, and camaraderie within the community of motorcycle enthusiasts.

Another point of view about '© ![PDF] WIRING DIAGRAM KELISTRIKAN SUPRA X 125 ⭐ BY. PP ON.'.

From a professional standpoint, the wiring diagram kelistrikan supra x 125 offers invaluable insights and advantages:

  • 1. **Comprehensive Understanding:** It serves as a comprehensive guide to understanding the intricate electrical setup of the Supra X 125.
  • 2. **Diagnostic Tool:** When troubleshooting electrical issues, this diagram acts as a diagnostic tool, aiding in pinpointing problem areas efficiently.
  • 3. **Maintenance Reference:** It serves as a crucial reference for routine maintenance, ensuring the longevity and optimal performance of the motorcycle.
  • 4. **Customization Foundation:** Enthusiasts and technicians use it as a foundation for customizations and modifications, tailoring the motorcycle to specific preferences.
  • 5. **Enhanced Efficiency:** Understanding the wiring diagram enhances the efficiency of repairs and upgrades, minimizing downtime and errors.
  • 6. **Standardization:** It sets a standard for electrical configurations, facilitating uniformity in repairs and modifications across the Supra X 125 models.
  • 7. **Knowledge Sharing:** Professionals often use this diagram as a basis for knowledge sharing and collaborative problem-solving within the motorcycle community.
  • 8. **Innovation Platform:** Seasoned professionals leverage this diagram as a platform for innovation, exploring new electrical setups and technologies.

Overall, from a professional perspective, this wiring diagram plays a pivotal role in understanding, maintaining, and innovating within the realm of Supra X 125 motorcycles.

Conclusion : Supra X 125 Electrical Wiring Diagram: Download PDF & Expert Insights!.Wiring diagram kelistrikan supra x 125 serves as your definitive guide to understanding the intricate electrical system within this iconic motorcycle model. As you conclude your exploration of this resource, remember that its utility extends far beyond a mere technical drawing. It's a blueprint that empowers enthusiasts, mechanics, and technicians alike to unravel the complexities of the Supra X 125's electrical circuitry.Embrace this wiring diagram kelistrikan supra x 125 as a foundational tool for troubleshooting, maintenance, and innovation. Whether you're a seasoned professional seeking to innovate or an enthusiast looking to comprehend the inner workings of your motorcycle, this diagram stands as a beacon of knowledge and expertise. With its help, you'll navigate electrical challenges with confidence, maintain your Supra X 125's optimal performance, and even embark on customized modifications tailored to your preferences. As you delve into the world of this wiring diagram, remember, it's not merely a static illustration—it's a gateway to a deeper understanding and a catalyst for your motorcycle journey.In conclusion, harness the power of this wiring diagram kelistrikan supra x 125 to elevate your understanding and mastery of the electrical nuances within your motorcycle. Let it be your guide as you embark on troubleshooting, maintenance, and exploration, fostering a community where knowledge is shared and innovation thrives. Your Supra X 125 experience will undoubtedly be enriched by the insights and understanding gained through this invaluable resource.

Question and answer Supra X 125 Electrical Wiring Diagram: Download PDF & Expert Insights!

Questions & Answer :

People Also Ask about wiring diagram kelistrikan supra x 125:

  • 1. What are the key components covered in the wiring diagram for Supra X 125? The wiring diagram encompasses a range of vital components such as the ignition system, lighting circuits, battery connections, and various sensors. It provides a comprehensive layout of how these components interconnect within the motorcycle's electrical framework.
  • 2. How can the wiring diagram aid in troubleshooting electrical issues? When encountering electrical problems, this diagram acts as a roadmap. It helps identify potential faulty connections, aids in understanding circuitry, and assists in isolating areas requiring inspection or repair. It's an invaluable tool for efficient and accurate troubleshooting.
  • 3. Is this wiring diagram suitable for beginners or primarily for experienced technicians? This diagram caters to both beginners and seasoned technicians. While it may seem intricate initially, it serves as a learning resource for beginners, gradually helping them grasp the fundamentals. Experienced professionals leverage its detailed insights for advanced diagnostics and modifications.
  • 4. Can modifications or customizations be made using this wiring diagram? Absolutely. The diagram provides a foundational understanding of the motorcycle's electrical layout, empowering enthusiasts to make informed modifications. It serves as a starting point for alterations or customizations tailored to individual preferences.
  • 5. How frequently should one refer to the wiring diagram for maintenance purposes? Regular references to the wiring diagram are advisable during routine maintenance checks. It ensures a comprehensive understanding of the electrical system, aiding in thorough inspections and ensuring the motorcycle's longevity and optimal performance.

These questions and answers aim to provide a holistic understanding of the significance and utility of the wiring diagram kelistrikan supra x 125, catering to individuals across expertise levels within the motorcycle enthusiast community.

Keywords : '© ![PDF] WIRING DIAGRAM KELISTRIKAN SUPRA X 125 ⭐ BY. PP ON.'

No comments:

Post a Comment