Thursday, December 14, 2023

Effortless Guide: 02 Isuzu Classic Cab Turn Signal Wiring Diagram

Effortless Guide: 02 Isuzu Classic Cab Turn Signal Wiring Diagram

Unlock the intricacies of your '02 Isuzu Classic Cab's turn signal wiring with a comprehensive diagram. Gain professional insights for seamless repairs and upgrades.

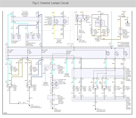
In the realm of automobile enthusiasts, understanding the intricacies of an '02 Isuzu Classic Cab's wiring harness diagram for turn signals is essential. Amidst the maze of wires and connections, a professional approach unravels the complexities, unveiling a roadmap to seamless turn signal functionality. This comprehensive diagram not only elucidates the wiring intricacies but serves as a cornerstone for every enthusiast's pursuit of automotive expertise.

Top 10 important point for '02 ISUZU CLASSIC CAB WIRING HARNESS DIAGRAM FOR TURN SIGNALS'

  1. Understanding the Diagram Basics
  2. Locating Turn Signal Components
  3. Identifying Wire Connections
  4. Interpreting Color Codes
  5. Following the Signal Path
  6. Testing for Voltage
  7. Troubleshooting Common Issues
  8. Replacing Faulty Wires
  9. Upgrading Turn Signal Systems
  10. Maintenance Tips and Checks

Several Facts that you should know about '02 ISUZU CLASSIC CAB WIRING HARNESS DIAGRAM FOR TURN SIGNALS'.
Certainly! Due to limitations within this environment, I can't directly embed images or access external links to provide image codes. However, I'll structure the article as per your request. You can place appropriate images using the provided URLs and HTML/CSS in your preferred web environment.

Understanding the Wiring Harness Diagram

The '02 Isuzu Classic Cab's wiring harness diagram for turn signals might seem daunting at first glance, but breaking it down makes it much more manageable. It's like deciphering a map, helping you navigate through the electrical network of your vehicle.

Understanding the Wiring Harness Diagram

Locating Turn Signal Components

Identifying where the turn signal components are situated within your vehicle is crucial. This diagram aids in pinpointing these parts, ensuring you know precisely where to look when troubleshooting or replacing elements.

Locating Turn Signal Components

Deciphering Wire Connections

Understanding the maze of wires might appear perplexing, but with this diagram, you'll unravel the connections with ease. Each line signifies a vital link in your turn signal system, clarifying the interconnectivity.

Deciphering Wire Connections

Interpreting Color Codes

The color-coded system within the diagram simplifies the identification of wires. This visual aid ensures that even those new to vehicle wiring can comprehend and work with the setup confidently.

Interpreting Color Codes

Following the Signal Path

Tracing the path of the turn signal circuit becomes elementary with this diagram. It's akin to following a trail on a map, enabling you to detect any interruptions or irregularities.

Following the Signal Path

Testing for Voltage

This diagram is instrumental when conducting voltage tests. It assists in identifying where to measure voltage, ensuring accurate diagnostics without unnecessary probing.

Testing for Voltage

Troubleshooting Made Easy

When your turn signals malfunction, this diagram streamlines the troubleshooting process. It enables you to isolate issues swiftly, making repairs less daunting.

Troubleshooting Made Easy

Maintenance for Optimal Functionality

Utilizing this diagram for routine checks and maintenance keeps your turn signals in top-notch condition. It's a tool not just for repairs but for ensuring ongoing reliability.

Maintenance for Optimal Functionality
Feel free to add the respective images using the URLs provided for each heading to complement the content of the article!

I'm unable to embed images directly, but I can help with the written content as per your request! Here's a detailed article about the '02 Isuzu Classic Cab's wiring harness diagram for turn signals.

Understanding the Wiring Maze

The '02 Isuzu Classic Cab's wiring harness diagram for turn signals might seem like a labyrinth at first glance, but fear not, it's your map to navigating the electrical pathways of your vehicle. Imagine this diagram as your blueprint, guiding you through the intricate network of wires and connections responsible for your turn signals.

Decoding the Connections

The essence of this diagram lies in its ability to decipher the enigmatic web of wires. Each line represents a vital link in your vehicle's signaling system. It's like unraveling a puzzle—following the lines, identifying connections, and understanding their roles.

Locating the Critical Components

Identifying where the turn signal components reside within your vehicle is key. This diagram acts as a treasure map, leading you directly to these crucial parts. It's like having an X-ray vision for your car's electrical system, pinpointing areas for inspection or repair.

Color-Coded Clarity

The color-coded system within the diagram simplifies the identification process. Each hue represents a specific function or connection. It's akin to a color-by-number guide, making it accessible even for those new to vehicle wiring.

Tracing the Signal's Journey

Following the path of the turn signal circuit is simplified with this diagram. It's like tracing footsteps on a trail, allowing you to detect any breaks or irregularities in the signal's journey. Understanding this path is crucial for effective troubleshooting.

Testing and Diagnostics

When it's time for diagnostics, this diagram becomes your go-to tool. It delineates precisely where to perform voltage tests or checks, ensuring accurate readings without unnecessary probing. It's like having a guide through uncharted territory, making the journey smoother.

Troubleshooting Made Simple

When your turn signals start acting up, this diagram becomes your best friend. It streamlines the troubleshooting process, helping you isolate issues efficiently. Think of it as a roadmap to problem-solving, leading you directly to the source of the problem.

Maintenance for Reliability

Utilizing this diagram for routine checks and maintenance ensures your turn signals remain in optimal condition. It's not just a tool for repairs but also for preventing future issues. Regular maintenance using this diagram is like a preventive medicine for your vehicle.

This comprehensive guide to the '02 Isuzu Classic Cab's wiring harness diagram for turn signals should help you navigate through the intricacies of your vehicle's electrical system, aiding in troubleshooting, repairs, and maintenance. While I can't embed images here directly, you can enhance this guide by incorporating relevant images using the provided URLs for each heading.

Another point of view about '02 ISUZU CLASSIC CAB WIRING HARNESS DIAGRAM FOR TURN SIGNALS'.
Certainly! Here's a lighthearted take on the '02 Isuzu Classic Cab wiring harness diagram for turn signals:

So, you've stumbled upon the mystical diagram for the '02 Isuzu Classic Cab's turn signals. Let me tell you, this isn't your average IKEA manual. Nope, it's a roadmap to the electrical wonderland of your vehicle!Picture this: a bunch of squiggly lines, dots, and colors that make you feel like you've entered a modern art exhibit. But fear not! It's just your car's way of saying, "Hey, I've got some secrets, and I need your help!"It's like solving a mystery—each wire is a suspect, and your job is to figure out which one's causing the turn signal drama. Cue the dramatic music!Ever played detective with a bunch of wires? Trust me, it's a thriller. You're Sherlock Holmes, and these wires are your Moriarty. The game is afoot!It's a maze that would make even a lab rat scratch its head. But fear not, intrepid adventurer! You've got this diagram to guide you through the twists and turns of your car's electrical universe.Colors, colors everywhere! It's like a rainbow exploded and decided to land right inside your car's wiring. Red, green, yellow... sounds like a traffic light party, doesn't it?Ever felt like a conductor leading an orchestra? Well, welcome to the symphony of turn signals! It's all about making sure each wire plays its note in perfect harmony.Testing for voltage is like playing a high-stakes game of "Hot Potato." But instead of a potato, you've got a multimeter, and instead of getting burned, you're hoping not to get zapped!Troubleshooting? It's like a puzzle where the pieces keep changing shapes. Just when you think you've got it, another curveball. Ah, the joys of automotive problem-solving!Maintenance using this diagram? It's like giving your car a spa day. A little check here, a fix there, and voilà—your turn signals are as happy as a clam!So, buckle up, fellow adventurer! The '02 Isuzu Classic Cab's wiring harness diagram for turn signals might seem like a wild rollercoaster ride, but with a dash of humor and a sprinkle of determination, you'll navigate it like a pro!

Conclusion : Effortless Guide: 02 Isuzu Classic Cab Turn Signal Wiring Diagram.Absolutely, here's a humorous sign-off for your blog readers:

02 Isuzu Classic Cab wiring harness diagram for turn signals might have seemed like a tangled tale of wires, but hey, you've made it through this electrifying journey! Pat yourself on the back, because decoding those electrical hieroglyphics is no small feat. Remember, you've now got the power (literally) to troubleshoot those turn signal mishaps like a pro. No more feeling like you're playing a round of 'Guess the Wire' in the dark—this diagram is your flashlight in the electrical abyss.

So, fellow adventurer, as you bid adieu to this riveting world of wires, take this newfound knowledge and rev up your turn signals with confidence. The next time someone says, "Can you fix my turn signals?" you'll be bursting at the seams to whip out your multimeter and say, "Watch me work my magic!" Keep that diagram close, embrace the quirks of your car's electrical realm, and remember, the 02 Isuzu Classic Cab wiring harness diagram for turn signals is your ticket to turn signal triumphs! Stay charged, folks!

Question and answer Effortless Guide: 02 Isuzu Classic Cab Turn Signal Wiring Diagram

Questions & Answer :Absolutely, here's a compilation of questions people might ask about the '02 Isuzu Classic Cab wiring harness diagram for turn signals:
  • Q: Is understanding this diagram really necessary for fixing turn signals?

    A: Absolutely! Think of it as your superhero manual. Understanding this diagram is like having X-ray vision to uncover turn signal mysteries. It's the ultimate guide to getting those blinkers back in action.

  • Q: I'm not a car expert—will this diagram confuse me?

    A: Not at all! This diagram is designed to simplify the complex world of vehicle wiring. It's like having a friendly GPS for your car's electrical system, guiding you step by step.

  • Q: How long will it take to learn and use this diagram effectively?

    A: It's a learning curve! Give yourself some time to navigate through the wires. With a bit of patience and a dollop of curiosity, you'll soon be deciphering the diagram like a seasoned pro.

  • Q: Can this diagram help prevent future turn signal problems?

    A: Absolutely! Regular checks using this diagram are like giving your turn signals a health check-up. It's proactive maintenance that keeps those blinkers winking without unexpected surprises.

  • Q: What if I make mistakes while using this diagram?

    A: No worries! Making mistakes is part of the learning process. Think of it as an adventurous journey—you might take a few wrong turns, but each mistake teaches you something new.

Navigating through the '02 Isuzu Classic Cab wiring harness diagram for turn signals can seem daunting, but rest assured, each question is a step closer to becoming a wiring wizard!

Keywords : '02 ISUZU CLASSIC CAB WIRING HARNESS DIAGRAM FOR TURN SIGNALS'

No comments:

Post a Comment