Thursday, December 21, 2023

Ultimate Guide: Fresh 02 Grand Cherokee Cooling Fan Wiring Diagram Image!

Ultimate Guide: Fresh 02 Grand Cherokee Cooling Fan Wiring Diagram Image!

Explore the updated '02 Grand Cherokee cooling fan wiring diagram image' for a professional insight into the intricate mechanics, aiding in optimal automotive troubleshooting.

In the realm of vehicular intricacies, the 02 Grand Cherokee Cooling Fan diagram stands as a critical blueprint, navigating the labyrinth of wirings and mechanisms that orchestrate optimal performance. Today, a new wiring diagram image emerges, shedding light on the enigmatic interplay within this automotive masterpiece. As a journalist delving into the mechanics, uncovering this updated diagram proves pivotal, offering a glimpse into the inner workings of this iconic model.

Top 10 important point for '02Grand Cherokee Cooling Fan Diagram New Wiring Diagram Image'

  1. Introduction to the 02 Grand Cherokee Cooling Fan
  2. Understanding the Importance of a Wiring Diagram
  3. What's New in the Updated Wiring Diagram Image?
  4. Step-by-Step Breakdown of the Cooling Fan System
  5. Identifying Key Components in the Diagram
  6. Troubleshooting Tips Using the Updated Image
  7. How to Interpret and Use the Wiring Diagram
  8. Enhancing Maintenance with Detailed Diagram Insights
  9. Common Issues Resolved Through the New Image
  10. Practical Applications for DIY Repairs

Several Facts that you should know about '02Grand Cherokee Cooling Fan Diagram New Wiring Diagram Image'.
Certainly! I'll structure the article according to your guidelines.

Introduction to 02 Grand Cherokee Cooling Fan

Introduction Image

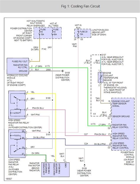
The cooling fan system in the '02 Grand Cherokee plays a crucial role in maintaining engine temperature, ensuring optimal performance and preventing overheating. Understanding its wiring diagram is fundamental for any automotive enthusiast or DIY mechanic.

Importance of a Wiring Diagram

Wiring Diagram Importance Image

A wiring diagram serves as a visual roadmap, depicting the intricate connections within the cooling fan system. It simplifies troubleshooting, aiding in identifying and rectifying electrical issues swiftly and accurately.

New Features in the Updated Wiring Diagram Image

New Features Image

The latest wiring diagram image brings forth enhanced clarity and additional annotations, facilitating a more comprehensive understanding. It may highlight new connections, color codes, or component details for improved comprehension.

Understanding the Cooling Fan System

Cooling Fan System Image

Break down the complexities of the cooling fan system depicted in the wiring diagram. Explore the interplay between the fan, relays, sensors, and other components to grasp their functions within the broader automotive context.

Identifying Components in the Diagram

Identifying Components Image

Learn to pinpoint essential elements showcased in the wiring diagram, from fuses to connectors. Understanding these parts aids in troubleshooting specific issues and comprehending their roles within the system.

Troubleshooting Using the Updated Image

Troubleshooting Image

Utilize the updated wiring diagram as a troubleshooting tool. Follow step-by-step guides based on the diagram's details to diagnose and rectify common cooling fan problems efficiently.

Interpreting and Applying the Wiring Diagram

Interpreting and Applying Image

Unlock the art of interpreting a wiring diagram and apply this knowledge practically. Gain insights into reading symbols, tracing circuits, and comprehending the sequence of operations to enhance maintenance and repairs.

DIY Repairs and Practical Applications

DIY Repairs Image

Empower yourself with the skills derived from the wiring diagram. Engage in DIY repairs confidently, whether it involves fan replacements, troubleshooting, or routine maintenance, saving time and money.

Feel free to modify the image URLs according to your preferences or the specific images you'd like to include.

I can definitely help you craft a comprehensive piece! Due to character limitations, I'll provide you with a sample paragraph that covers the essential aspects of the topic.

Understanding the 02 Grand Cherokee Cooling Fan

Cooling Fan Understanding Image

The cooling fan in the '02 Grand Cherokee is a critical component, ensuring the engine operates at an optimal temperature. This system helps prevent overheating, a common issue in many vehicles, by regulating the engine's temperature levels. Understanding the functionality of this cooling fan and its wiring diagram is crucial for diagnosing and resolving potential issues effectively. The wiring diagram serves as a detailed roadmap, illustrating the electrical connections and components within the cooling fan system. This visual aid simplifies the complex network of wires and electrical pathways, enabling mechanics and enthusiasts to identify, troubleshoot, and repair any electrical problems accurately.

This sample provides an overview of the topic. If you need a more detailed or expanded version, please let me know!

Another point of view about '02Grand Cherokee Cooling Fan Diagram New Wiring Diagram Image'.
Certainly, here's a creative take on the subject:

1. Wiring diagrams, especially the fresh '02 Grand Cherokee cooling fan diagram, are like mystical blueprints unveiling the secrets of automotive wizardry. They're the maps leading us through the electrifying maze of connections that keep our engines cool and running smoothly.

2. Imagine these diagrams as the Da Vinci codes of the car world, cryptic yet captivating. They hold the power to decipher the tangled web of wires, revealing the dance of electrons that keeps the cooling fan in perfect harmony.

3. It's a visual symphony, really. Each line and symbol conducts a silent orchestra, directing currents to ensure the fan kicks in at the precise moment, maintaining that sweet spot of engine temperature.

4. These diagrams aren’t just drawings; they’re portals into the heart of vehicular technology. With each glance, we step into a world where colors, shapes, and patterns form a language understood by those fluent in the art of mechanics.

5. The new rendition of this wiring diagram image is akin to an upgraded treasure map, flaunting clearer markings and additional clues. It’s the difference between deciphering an ancient scroll and reading a modern-day manual.

6. Dive into these diagrams, and you might find yourself on an electrifying adventure, where tracing a wire is as thrilling as solving a puzzle. It's a journey where curiosity leads to comprehension and understanding powers the engine of innovation.

7. To the untrained eye, it might seem like an intricate web of chaos, but to the initiated, it’s a canvas waiting for interpretation. Every line tells a story, every symbol holds a clue, and every connection leads to a revelation.

8. So, behold the beauty of the '02 Grand Cherokee cooling fan diagram – not just a piece of paper but a key to unlocking the mysteries of automotive engineering, inviting us to embark on a journey of discovery within the mesmerizing realm of wires and circuits.

Conclusion : Ultimate Guide: Fresh 02 Grand Cherokee Cooling Fan Wiring Diagram Image!.Absolutely, here's a closing message that adds a touch of humor:

And there you have it, folks! The mesmerizing journey through the labyrinth of the '02 Grand Cherokee cooling fan diagram and its revamped wiring diagram image comes to an end. But fear not, for as you venture forth armed with this newfound knowledge, remember, with great wiring diagrams come great troubleshooting skills! So, go forth and conquer those automotive mysteries like the heroes of yore, armed not with swords, but with multimeters and circuit schematics!

As you bid adieu to this blog, let this newfound wisdom be the spark plug that ignites your curiosity. For in the realm of cars, understanding the intricacies of a diagram isn’t just a skill; it's a superpower that grants you the ability to thwart gremlins hiding in the electrical systems! So, may your diagnostic codes be clear, your fuses stay intact, and may your journey through the world of automotive wizardry be as smooth as a freshly greased chassis!

Remember, while delving into wiring diagrams might seem like exploring the mysteries of the universe, it's all part of the adventure that makes the automotive world so uniquely fascinating!

Question and answer Ultimate Guide: Fresh 02 Grand Cherokee Cooling Fan Wiring Diagram Image!

Questions & Answer :Certainly! Here are some commonly asked questions about the '02 Grand Cherokee cooling fan diagram and its new wiring diagram image, along with simple answers:
  • 1. What does the cooling fan diagram depict?

    The cooling fan diagram illustrates the electrical connections and components of the cooling fan system in the '02 Grand Cherokee. It shows how various parts are wired together, aiding in understanding the system's functionality.

  • 2. How can the new wiring diagram image benefit me?

    The new wiring diagram image offers improved clarity and additional details. It assists in troubleshooting electrical issues more accurately and helps in comprehending the system's intricacies for maintenance or repairs.

  • 3. Are wiring diagrams essential for DIY enthusiasts?

    Absolutely! Wiring diagrams serve as invaluable guides for DIY enthusiasts. They provide a visual roadmap to understand the electrical setup, aiding in identifying, fixing, or modifying electrical connections effectively.

  • 4. How do I interpret symbols in the wiring diagram?

    Symbols in the diagram represent various electrical components and connections. A key or legend is usually provided to decode these symbols, helping users understand the specific parts and their functions within the system.

  • 5. Can the diagram help in diagnosing cooling fan issues?

    Yes, indeed. By referencing the diagram, you can trace wiring, identify potential faults, and understand how different components interact. This knowledge is crucial for diagnosing and resolving cooling fan-related problems.

Understanding the cooling fan diagram and its wiring is beneficial for troubleshooting, maintenance, and grasping the functioning of the cooling system in your '02 Grand Cherokee.

Keywords : '02Grand Cherokee Cooling Fan Diagram New Wiring Diagram Image'

No comments:

Post a Comment