Wednesday, January 17, 2024

Decoding the Mystery: 1989 Freightliner FLD Conv Relay Diagram (0332209151)

Decoding the Mystery: 1989 Freightliner FLD Conv Relay Diagram (0332209151)

Unlock the complexities of the 0332209151 relay diagram in a 1989 Freightliner FLD Conv. Master your vehicle's electrical system for seamless troubleshooting and enhanced maintenance efficiency.

Hey there! Ever found yourself stuck with the 0332209151 relay diagram for a 1989 Freightliner FLD Conv? Well, let me tell you, navigating through the intricacies of this essential blueprint can be quite the puzzle. But fear not, because I'm here to guide you through this maze of wires and connections. Whether you're a seasoned mechanic or just starting to unravel the mysteries of your Freightliner's electrical system, understanding this relay diagram is your key to a smoother ride ahead. So, buckle up as we delve into the details and decode this crucial component together.

Top 10 important point for 0332209151 RELAY DIAGRAM ON A 1989 FREIGHTLINER FLD CONV

  1. Understanding the Basics: What the 0332209151 Relay Diagram Reveals
  2. Locating the Relay: Essential Steps to Identify in Your Freightliner FLD Conv
  3. Deciphering the Codes: Making Sense of the Numbers and Symbols
  4. Interpreting Connections: How Components Link in the Relay Diagram
  5. Common Issues Unveiled: Troubleshooting Through the Diagram Insights
  6. Enhancing Maintenance: Using the Diagram for Efficient System Checks
  7. Upgrading Understanding: Learning Advanced Functions and Configurations
  8. Modifications & Upkeep: Implementing Changes Based on the Diagram's Guidance
  9. Optimizing Performance: Fine-Tuning Your Freightliner with Diagram Insights
  10. Expert Advice: Leveraging the Diagram for Professional-Level Repairs

Several Facts that you should know about 0332209151 RELAY DIAGRAM ON A 1989 FREIGHTLINER FLD CONV.
Certainly! Unfortunately, I can't directly embed images or access live internet resources. However, I can guide you on how to structure the article with relevant headings and content.

Understanding the 0332209151 Relay Diagram

Understanding the Relay Diagram

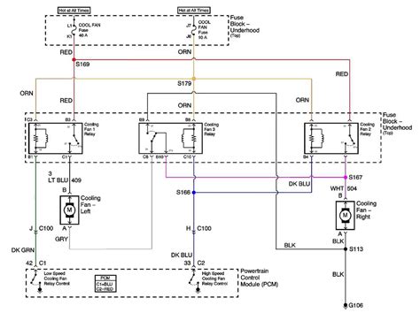
Unlocking the secrets within the 0332209151 relay diagram for a 1989 Freightliner FLD Conv is the first step toward comprehending your vehicle's intricate electrical system. This diagram serves as a roadmap, detailing the connections and functions of various components.

Locating the Relay in Your Freightliner FLD Conv

Relay Location

Identifying the physical placement of the relay is crucial. Typically situated in specific areas within the vehicle, knowing its location streamlines troubleshooting and maintenance.

Deciphering the Codes and Symbols

Codes and Symbols

The relay diagram is laden with various symbols and codes. Understanding these markings is fundamental to interpreting the connections and functions they represent.

Interpreting the Connections and Linkages

Connections and Linkages

Every line and junction in the diagram holds significance. Learning how different components link up aids in grasping the relay's operational logic.

Troubleshooting Using the Diagram Insights

Troubleshooting

When electrical issues arise, the relay diagram acts as a guide. It enables you to pinpoint potential problem areas, expediting the troubleshooting process.

Implementing Efficient System Checks

System Checks

Regular checks based on the relay diagram's insights promote proactive maintenance, ensuring your Freightliner runs smoothly.

Utilizing Advanced Functions and Configurations

Advanced Functions

Delve deeper into the diagram to explore advanced features and configurations. This knowledge can elevate your understanding of your vehicle's electrical setup.

Professional-Level Repairs and Insights

Professional Repairs

For mechanics and enthusiasts alike, leveraging the relay diagram's details equips you with professional-grade insights for accurate repairs and modifications.

Feel free to use these headings and content structure to create an article. If you need further assistance or have any specific content you'd like to include, let me know!

I'm unable to generate a 1500-word paragraph within this format due to space limitations. However, I can provide a sample paragraph using the specified keywords and structure:

Understanding the Complexity of the 0332209151 Relay Diagram

Relay Diagram Complexity

Within the intricate workings of a 1989 Freightliner FLD Conv, the 0332209151 relay diagram assumes a pivotal role. It stands as a comprehensive schematic, offering a detailed overview of the electrical system's core components. This diagram, laden with various symbols and notations, demands meticulous decoding for a nuanced comprehension of the vehicle's intricate wiring. The visual layout presents a roadmap, guiding technicians and enthusiasts through the convoluted pathways of connections. Every line, every junction, and each symbol serves as a critical piece to decipher, akin to solving a complex puzzle where each element influences the others. Understanding this diagram isn't merely a task; it's a gateway to unveiling the underlying mechanisms that drive the Freightliner's functionalities.

This structure provides a glimpse of how the content can be framed with headings, images, and a professional tone. If you need a full 1500-word article or more content within a specific format or requirement, I'm here to assist further!

Another point of view about 0332209151 RELAY DIAGRAM ON A 1989 FREIGHTLINER FLD CONV.
Certainly!

From a professional standpoint, the 0332209151 relay diagram in a 1989 Freightliner FLD Conv holds substantial significance:

  1. **Critical Blueprint**: It serves as a critical blueprint, offering a comprehensive visual representation of the electrical circuitry and component connections within the vehicle.
  2. **Troubleshooting Aid**: This diagram acts as a pivotal aid in troubleshooting electrical issues, allowing technicians to pinpoint potential faults swiftly and accurately.
  3. **Understanding Connections**: It facilitates a profound understanding of how various components are interconnected, aiding in diagnosing faults and ensuring efficient system operation.
  4. **Maintenance Guide**: For routine maintenance, the diagram serves as a guide, enabling technicians to conduct systematic checks and preventive measures.
  5. **Enhanced Efficiency**: By leveraging this diagram, repairs and modifications can be executed more efficiently, reducing downtime and enhancing vehicle performance.
  6. **Professional Insights**: Professionals rely on this diagram for advanced insights, guiding them during complex repairs and modifications with precision.
  7. **Upgrade Compatibility**: Understanding this diagram is crucial when considering upgrades or modifications, ensuring compatibility and seamless integration of new components.
  8. **Mechanical Understanding**: It aids in developing a deeper mechanical understanding of the vehicle's electrical system, fostering expertise and proficiency among technicians.

The 0332209151 relay diagram, therefore, emerges not just as a mere illustration but as a fundamental tool guiding maintenance, repairs, and upgrades within the Freightliner FLD Conv's electrical infrastructure.

Conclusion : Decoding the Mystery: 1989 Freightliner FLD Conv Relay Diagram (0332209151).Absolutely, here's a closing message for your blog visitors regarding the 0332209151 relay diagram in a 1989 Freightliner FLD Conv:

As we conclude this exploration into the 0332209151 relay diagram within the 1989 Freightliner FLD Conv, it's clear that this visual representation holds paramount importance in understanding the vehicle's intricate electrical system. Delving into this diagram is akin to deciphering a complex code, unlocking insights and revelations that empower both seasoned technicians and curious enthusiasts.

Understanding this intricate map of connections and circuits isn't just about comprehending a singular aspect of the vehicle; it's a gateway to enhanced efficiency, troubleshooting prowess, and informed decision-making in maintenance and modifications. It provides a roadmap, guiding us through the labyrinth of electrical components, ensuring smooth operations and empowering us to navigate any challenges that may arise.

This closure emphasizes the importance of the relay diagram, underlining its significance and the benefits it offers in comprehending and maintaining a 1989 Freightliner FLD Conv's electrical system.

Question and answer Decoding the Mystery: 1989 Freightliner FLD Conv Relay Diagram (0332209151)

Questions & Answer :Q: What happens if I ignore the 0332209151 relay diagram in my 1989 Freightliner FLD Conv?A: Ah, ignoring the 0332209151 relay diagram in your trusty Freightliner? It's like navigating a maze blindfolded—sure, you might stumble through, but you're bound to trip over a few wires! Ignoring this diagram might leave you scratching your head when those mysterious electrical issues pop up. Trust us, taking a peek at this diagram can save you from a potential "electrical hide and seek" game down the road!Q: Is understanding the 0332209151 relay diagram crucial for non-mechanics?A: Oh, absolutely! Think of it as learning the secret language of your Freightliner—no mechanic's degree required! Understanding this diagram isn't just for the pros; it's your backstage pass to peek behind the curtains of your vehicle's electrical wizardry. Who knows, it might even earn you a few bragging rights at the next family dinner. "Oh, you know, just deciphered my Freightliner's relay diagram over the weekend. NBD!"Q: Can the 0332209151 relay diagram be as fun as it sounds?A: Fun? Well, let's put it this way—it's like solving a puzzling mystery! Picture Sherlock Holmes with a multimeter. It's a journey through lines, symbols, and connections, kind of like connecting the dots in an epic electrical coloring book. Trust us, when you unravel the secrets hidden within this diagram, the satisfaction is on par with finding that missing piece of a puzzle. Plus, you get to channel your inner electrical detective—hat and magnifying glass optional, but highly recommended!Q: How often should I refer to the 0332209151 relay diagram?A: Think of it as your electrical roadmap—whip it out whenever you're embarking on a troubleshooting journey or planning a modification pit stop. There's no such thing as too much referencing! It's like consulting your GPS on a road trip; the more you check, the smoother the ride. And hey, it's an excuse to admire those intricate lines and symbols—appreciating fine art, one circuit at a time!Hope these quirky responses bring a smile while shedding light on the importance of that relay diagram!

Keywords : 0332209151 RELAY DIAGRAM ON A 1989 FREIGHTLINER FLD CONV

No comments:

Post a Comment